Home
Medidor de temperatura con arduino
- Detalles
- Escrito por: oscarrodfer
- Categoría: Proyectos
- Visitas: 55
En esta ocasion vamos a utilizar una sonda NTC 3950, un LCD con I2C y una placa de arduino para medir la temperatura.
Puedes ver el funcionamiento en el siguiente video: https://youtube.com/shorts/gyhX6fi6Tu4?feature=share
Listado de materiales
Esquema electrico
Para poder medir la temperatura con una NTC 3950 necesitamos un condensador y una resistencia para conectarlo a arduino. Puedes comprar nuestro kit NTC-3950.
Kit NTC-3950



Repositorios
Simulacion de un semaforo con arduino
- Detalles
- Escrito por: oscarrodfer
- Categoría: Proyectos
- Visitas: 58
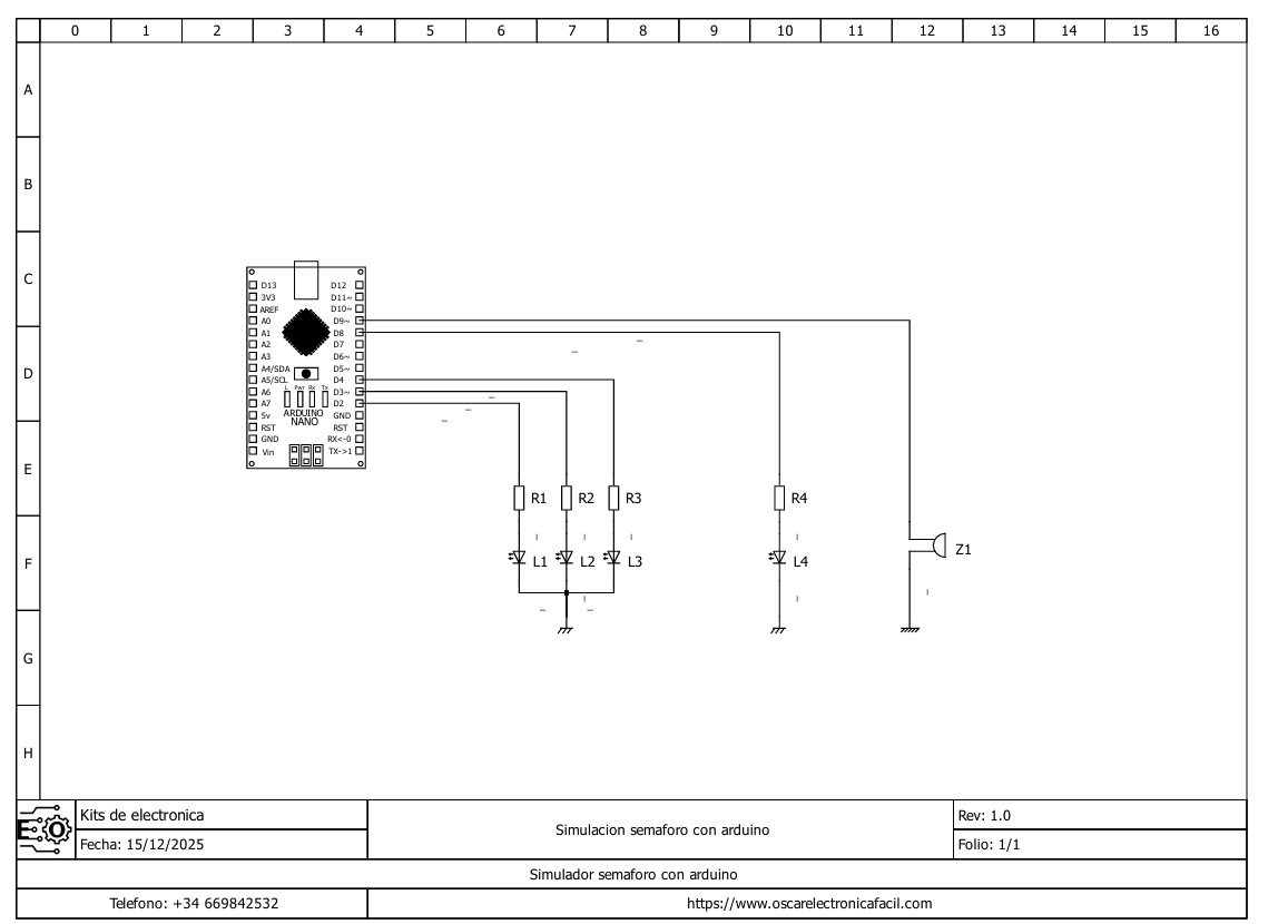
En esta ocasion vamos a realizar la simulacion de un semaforo con unos pocos leds, de manera que se ilumine un led verde para dejar pasar a los vehiculos, un led azul para que los vehiculos tengan que ir parando, un led rojo para que tengan que detenerse los vehiculos y al mismo tiempo se ilumine otro led verde para permitir el paso de los peatones y al mismo tiempo se encienda un zumbador para ciegos.
Listado de materiales
1 led rojo
2 led verde
1 led azul
1 zumbador activo
4 resistencias de 220 ohmios
1 arduino uno r3
Esquema electrico

Repositorio
...
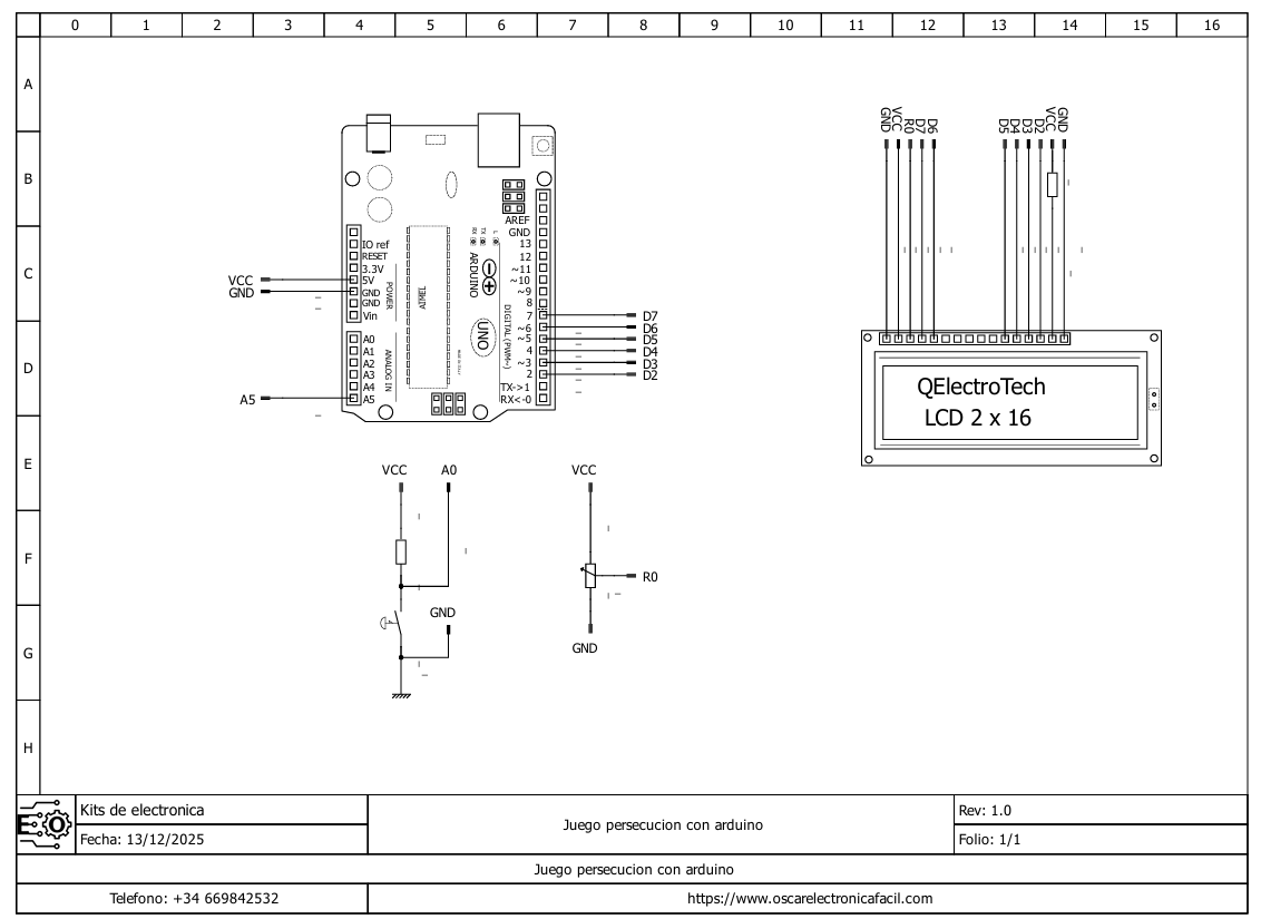
Juego persecucion con arduino
- Detalles
- Escrito por: oscarrodfer
- Categoría: Profe garcia
- Visitas: 72
Invita a un cafe al profe Garcia: https://www.paypal.com/webapps/shoppingcart?flowlogging_id=f1667891cd201&mfid=1765641938505_f1667891cd201#/checkout/openButton
https://www.youtube.com/shorts/CoMpbCNlk9A
Lista de materiales
| Ud | Descripcion | Precio |
| 1 | LCD 2X16 | |
| 1 | Arduino Uno R3 | |
| 1 | Protoboard 830 | |
| 1 | Potenciometro 10k | |
| 1 | Resistencia 100 ohmios | |
| 1 | Resistencia 10k ohmios | |
| 1 | Pulsador | |
| 1 | Jumper Macho - Macho |
Observaciones
En el repositorio se encuentra el codigo modificado para dibujar el muñeco con la conexion del curso bitwiser.
Como no poseo el excel de microsoft, abri el excel con libreoffice y cree la flecha, la cual podeis descargar desde el repositorio. Con la ayuda de este excel creamos la flecha y la dibujamos en el lcd. En el repositorio podeis encontrar como dibujar la flecha.
El siguiente paso es hacer el diagrama siguiente en nuestra protoboard.

Repositorios
Capitulo 44. Calculador con arduino
- Detalles
- Escrito por: oscarrodfer
- Categoría: Arduino desde cero
- Visitas: 78
Mejoramos la calculadora realizada en este video, usando el monitor en serie y una pantalla LCD.
Compra el kit de arduino para realizar el curso en: https://amzn.to/3M0qgec
Listado de materiales
repositorio
Página 1 de 3